Ad
Varmvattenberedare från Indol
Bäst online casino i Sverige
Energibutiken.se smarta varor på nätet, leverans till dörren
Annonsera i Värmepumpsforum, klicka här för att ställa e-postfråga och få mer info.
140x140vpforum-11.gif
kontakta oss för pris!
 

Författare Ämne: tempdiff framledning/retur  (läst 15683 gånger)

0 medlemmar och 1 gäst tittar på detta ämne.

Utloggad Carl N

  • Manual-nörd
  • Guldmedlem
  • Dignitär inom värmepump
  • ******
  • Antal inlägg: 31029
  • Karma +22/-8
  • Kön: Man
  • Alien snowman.
SV: tempdiff framledning/retur
« Svar #30 skrivet: 15 augusti 2006, 08:58:20 »

Ok Rickard

Kan du beskriva hur jag ska koppla in pumpen och vilka prylar jag behöver? Behöver jag två externa cirkcirkpumar eftersom jag har två golvvärmefördelare? Vad kan detta ungefär kosta att låta installera?

Jag pratade med IVT igår igen. Den personen tyckte inte att jag skulle montera in några rumsgivare. (Förra gången jag pratade med IVT så sa de att jag kunde montera in rumsgivare....konsekvent?). De sa även att jag inte behövde någon bypass utan kunde köra som jag gör nu och komplettera med en central innomhusgivare.

Mvh
DIO

Hmmmm.... Sc:,h

Inga termostater till golvvärmen, helt OK.
Central rumsgivare som styr VP:n, helt OK.
Men vill du få jämn golvvärme och bra tempdiff över VP:n så behöver du en bypass och en extra cirkpump, sen kan du strypa in varje golvvärmeslinga för sig i vinter så att du får jämn temperatur i huset.
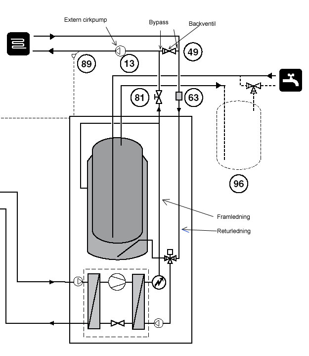
Bilden i IVT:s manual är inte helt enkel att förstå så jag bifogar nibes principskiss:

http://www.nibeonline.com/pdf/M10246-2.pdf
« Senast ändrad: 15 augusti 2006, 09:00:27 av Carl N »
Huset: NIBE 1215-5, 120 m aktivt borrdjup, 127 m2 boyta 53 m2 biyta, suterräng byggt 1970. Tidigare 2,5 kbm olja/år, huset tilläggsisolerat i samband med VP-installationen. FST34+1 som frikyla.
Ca 5500 kWh i drivenergi för VP-drift, ca 5500 kWh HH-el + komfortgolvvärme i snitt/år.
---------------------------------------------------------------------------------------------------
Fritidshuset, NIBE 1245-8, 160 m aktivt borrdjup, ca 150 m2 boarea + en liten källare från 1912.

Utloggad Rickard

  • Rickard
  • Administratör
  • Dignitär inom värmepump
  • *****
  • Stad/land: Piteå
  • Antal inlägg: 36334
  • Karma +58/-50
  • Kön: Man
  • Ägare av forumet
SV: tempdiff framledning/retur
« Svar #31 skrivet: 15 augusti 2006, 11:08:27 »
Det beror så mycket på hur det ser ut hos dig, kan du ta lite bilder så skulle det kanske gå bättre.
Jag har lagt till lite kommentarer till Nibes principskiss.

Du behöver en backventil, lite rör och rördelar + cirkpump.
Beroende om du gör det själv eller köper allt installerat och klart kan det kosta dig mellan ca 1500 kr och 5000 kr skulle jag tro.

Webbshop för energisparare: www.energibutiken.se
Till forumets kostnadsfria Offerttjänst: https://www.energioffert.se
Min loggade anläggning: https://e-logger.se/pub?rmarklund
Mina andra forum: www.poolforum.se och: www.atvforum.se
Konverterat från direktverkande elradiatorer till vattenburet och värmepump 2003. Hus: Älvsbyhus -75, Ort PITEÅ, uppvärmd yta ca 170 m2. Värmepump Nibe 1255-12, 500 meter ytjord-kollektor i en slinga, 14 st Korado radiatorer,2-rörs vattenburet system. Utomhuspool 4 X 8 meter som värms med värmepump till ca 32 grader under maj-sept.
38 stycken solceller, Hanersun TCP18-54HB415W, Total teoretisk effekt 15770 W.
Invertern är en Hybrid från Growatt på 15 kW, och batterierna är Growatt APX HV Battery 15 kW, Power Module APX 98020-P1/APX 98034-P2
Yrke: Egen företagare, bakgrund: Systemtekniker med inriktning mot styr/regler. 3 års yrkesutbildning + diverse internutbildningar, 20 års yrkeserfarenhet.
Allt om mig: http://www.varmepumpsforum.com/vpforum/index.php?topic=5196.msg48236#msg48236

Utloggad DIO

  • Lär mig om värmepumpar
  • **
  • Antal inlägg: 24
  • Karma +0/-0
  • Jag älskar värmepumpar!
SV: tempdiff framledning/retur
« Svar #32 skrivet: 15 augusti 2006, 11:27:01 »
ok

Men en sak bara........behöver jag en bypass + cirkpump till varje golvvärmefördelare?

Mina golvvärmefördelare sitter långt ifrån varandra (en uppe och en nere). Fabrikatet är förresten ROTH

DIO

Utloggad Rickard

  • Rickard
  • Administratör
  • Dignitär inom värmepump
  • *****
  • Stad/land: Piteå
  • Antal inlägg: 36334
  • Karma +58/-50
  • Kön: Man
  • Ägare av forumet
SV: tempdiff framledning/retur
« Svar #33 skrivet: 15 augusti 2006, 15:55:21 »
Det borde du inte behöva, du ställer ju in flöden separat på alla slingor, så du kan strypa lite mer på de nere och öppna mer på dem där uppe för att få rätt flöden.
Dessutom kommer du ju förmodligen inte att behöva lika stora flöden där uppe då nedervåningen värmer övervåningen med den stigande luften.
Webbshop för energisparare: www.energibutiken.se
Till forumets kostnadsfria Offerttjänst: https://www.energioffert.se
Min loggade anläggning: https://e-logger.se/pub?rmarklund
Mina andra forum: www.poolforum.se och: www.atvforum.se
Konverterat från direktverkande elradiatorer till vattenburet och värmepump 2003. Hus: Älvsbyhus -75, Ort PITEÅ, uppvärmd yta ca 170 m2. Värmepump Nibe 1255-12, 500 meter ytjord-kollektor i en slinga, 14 st Korado radiatorer,2-rörs vattenburet system. Utomhuspool 4 X 8 meter som värms med värmepump till ca 32 grader under maj-sept.
38 stycken solceller, Hanersun TCP18-54HB415W, Total teoretisk effekt 15770 W.
Invertern är en Hybrid från Growatt på 15 kW, och batterierna är Growatt APX HV Battery 15 kW, Power Module APX 98020-P1/APX 98034-P2
Yrke: Egen företagare, bakgrund: Systemtekniker med inriktning mot styr/regler. 3 års yrkesutbildning + diverse internutbildningar, 20 års yrkeserfarenhet.
Allt om mig: http://www.varmepumpsforum.com/vpforum/index.php?topic=5196.msg48236#msg48236

Vill du annonsera klicka här! Varmvattenberedare från Indol
 


Annonser

Right Block

luftvärmepumpar, tillbehör, installationsmaterial, vi har allt!
Köp din bergvärmepump av oss
Vibrationsdämpare
Besök vår webshop, klicka här!
Energioffert.se
Energibutiken.se smarta varor på nätet, leverans till dörren
Annonspriser

Online just nu!

  • Dot gäster: 4467
  • Dot dolda: 0
  • Dot användare: 0

There aren't any users online.
Ad
Varmvattenberedare från Indol
Bäst online casino i Sverige
Energibutiken.se smarta varor på nätet, leverans till dörren
Annonsera i Värmepumpsforum, klicka här för att ställa e-postfråga och få mer info.
140x140vpforum-11.gif
kontakta oss för pris!